ПАРМА ТЕНЗОР-2
Измеритель параметров изоляции
Назначение
ПАРМА ТЕНЗОР-2 (мост переменного тока) предназначен для автоматических измерений:
· емкости и тангенса угла диэлектрических потерь высоковольтной изоляции конденсаторов, вводов, трансформаторов, а также жидких диэлектриков с использованием внешней меры емкости, как в лабораторных, так и в «полевых» условиях
· действующих значений первой гармоники тока и напряжения промышленной частоты
· угла фазового сдвига между сигналами, подаваемыми на входы прибора
· частоты сети
* Измерения могут проводиться по «прямой» и по «инверсной» (перевернутой) схеме.
* Выделяет вектор тока влияния, что позволяет обходиться без фазорегулятора источника испытательного напряжения или устройств компенсации тока влияния.
Дополнительные возможности
· диагностика изоляции под рабочим напряжением при условии оснащения измерительных выводов высоковольтного оборудования специальными устройствами присоединения, обеспечивающими безопасность измерений
· измерение коэффициента трансформации, потерь холостого хода и короткого замыкания
· измерение комплексного сопротивления, в том числе сопротивления короткого замыкания
· проведение векторных измерений на промышленной частоте
Отличительные особенности
· в укомплектованном виде прибор представляет собой компактный, ударопрочный, герметично закрытый кейс
· безопасное управление прибором (на расстоянии до 10 м) осуществляется с помощью пульта ДУ
· габаритные размеры кейса (в закрытом виде): 365x295x170 мм (с открытой крышкой 460 мм)
· масса - не более 13 кг
· управление измерительным блоком прибора осуществляется по беспроводному интерфейсу Bluetooth при помощи пульта дистанционного управления
· опционально работа с измерительным блоком может выполняться с использованием ПК
· дальность управления измерительным блоком от пульта ДУ – не менее 10 м
· отображение на встроенном светодиодном графическом индикаторе всех вычисленных значений измеряемых параметров
· выбор режима работы и запуск измерений
· задание параметров и калибровочных коэффициентов для проведения измерений
· выключение измерительного блока или перевод его в ждущий режим
СХЕМЫ ПОДКЛЮЧЕНИЯ
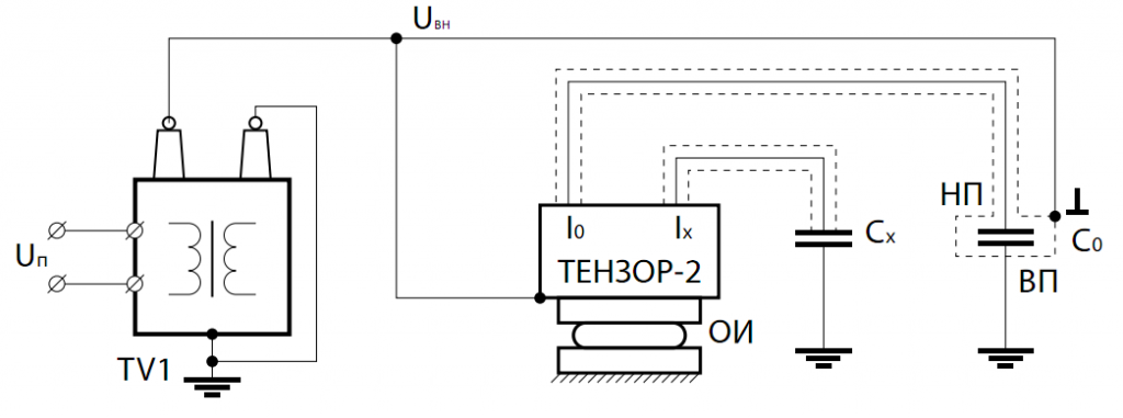
· Режим измерения тангенса угла диэлектрических потерь по "прямой" схеме (без компенсации)

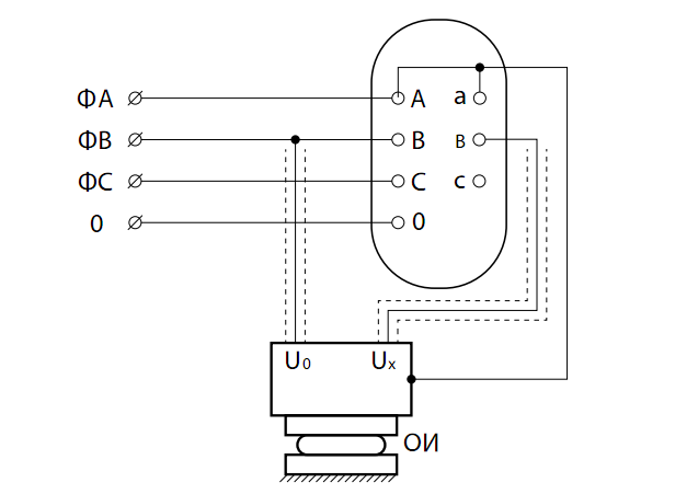
· Режим измерения коэффициента трансформации

· Режим измерения мощности и импенданса

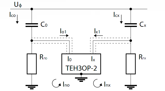
· Режим измерения диэлектрических потерь с компенсацией помех общего вида
Первый этап измерений

Второй этап измерений

Третий этап измерений + расчетный результат

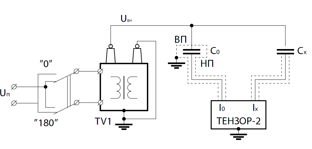
· Режим измерения диэлектрических потерь с компенсацией токов влияния







